

一、概述
柜式气体绝缘金属封闭开关设备,国际上简称C-GIS或称GIS,是一种用于12~40.5kV或更高电压输配电系统以接受或分配电能并能对电力系统正常运行和故障情况下实行控制、保护、测量、监视、通讯等功能的新型开关设备。把GIS的SF6的绝缘技术、密封技术与空气绝缘的金属封闭开关设备制造技术有机地相结合,将各高压元件设置在箱形密封容器内,使之充入较低压力的绝缘气体,利用现代加工手段而制成的成套系列化产品称之为柜式气体绝缘金属封闭开关设备,简称C-GIS(Cubicle type Gas Insulated Switchgear)充气环网柜。
JT6-12 系列气体绝缘开关柜(以后简称充气柜)适用于三相交流50Hz,额定电压12kV的配电系统中,作分合负荷电流、过载电流、关合短路之用,也可开断空载变压器、一定距离架空线路、电缆线路和电容器组等容性负载,在电力系统中起电能的分配、控制和保护作用。JT6-12系列共箱式气体绝缘环网柜是一种把所有开关设备、母线等密封在密闭的不锈钢箱体内,外部无裸露带电体。可适应潮湿多盐雾,诸如洪水、重污染等各种恶劣环境条件,运行安全、可靠性高的多回路环网开关设备。广泛应用于工业园区、街道、机场、居住小区、繁华商业中心等,是配网自动化的理想设备。还用于:紧凑型箱式变电站、电缆分支箱、开闭所、风力发电站、地铁与隧道等。
JT6-12系列充气柜采用计算机三维设计技术,并进行计算机电场分析,使产品的性能得到提高。充气柜全部进行模块化设计。所有模块都可根据用户要求实现侧出线及顶部扩展的连接方式。最大限度地满足了供电方案的需要。
二、采用标准
中国标准:GB/T11022;GB1984;GB3906 ;Gb3804;GB1985;GB11023。
国际标准:IEC56;IEC298;IEC29;IEC420;IEC255;IEC694;IEC256-1;IEC801。
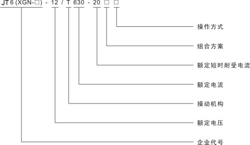
三、型号含义

四、使用环境条件
1、周围空气温度不超过40℃,且在24小时内测得的平均值不超过35℃,最低周围空气温度为-25℃;
2、海拔不超过2500m;
3、湿度:
相对湿度:日平均值不超过95%,月平均值不超过90%;
水蒸气压:日平均值不超过2.2kPa,月平均值不超过1.8kPa;
4、地震强度:水平加速度≤0.4g,垂直加速度≤0.2g;
5、特殊使用条件:在实际使用条件超过正常使用条件下使用时,由用户和本公司协商。